D880
D880
CJ
FAIRCHILD TO-220
In Stock: 1700 pcs
-transistorn, en robust NPN-halvledarenhet som är inrymd i ett TO-220-paket, utmärker sig i ljudfrekvensförstärkning och högbelastningshantering.Med en kollektorströmskapacitet på upp till 3A och förmågan att hantera spänningar upp till 60V är det ett gynnat val i DC-DC-omvandlare, ljudkretsar och lågspänningsomkopplingsapplikationer.Dess mångsidighet, effektivitet och tillförlitlighet effektiv för att du söker pålitlig prestanda i olika elektroniska mönster.
Katalog
De
D880
D880
CJ
FAIRCHILD TO-220
In Stock: 1700 pcs
Transistor, en framstående NPN-halvledarenhet innesluten i ett TO-220-paket, effektivt i ljudfrekvensamplifiering.Dess anpassningsförmåga lyser i ett myriad av allmänna applikationer.Med förmågan att hantera upp till 3A belastningsström visar det sig vara fördelaktigt för driftsmotorer, högeffekttransistorer och reläer med markant effektivitet.Sådan kompetens tilltalar dig i elektronik som värderar tillförlitlig högbelastning.
• Ljudfrekvensförstärkning
• Körmotorer, högeffekttransistorer och reläer
• Lämplig för både professionella och hobbyprojekt
Transistorens effektiva lasthantering resonerar med de praktiska behoven och ambitionerna hos de som är intresserade av att utveckla robusta elektroniska system.
D880
D880
CJ
FAIRCHILD TO-220
In Stock: 1700 pcs
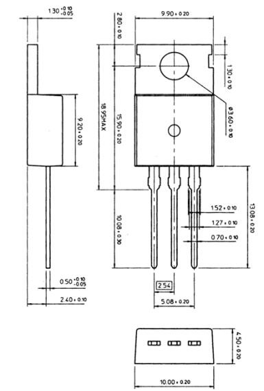
-transistorn, som är erkänd för sitt värde i elektroniska kretsar, har tre grundläggande stift: emitter (E), basen (B) och samlaren (C).Att ta tag i de unika funktionerna och det dynamiska samspelet mellan dessa stift förbättrar transistorns mångsidighet i ett brett spektrum av applikationer.

Stiftnummer
|
Stiftnamn
|
Beskrivning
|
1
|
Bas
|
Kontrollerar förspänningen av transistorn.Används för att slå på
eller utanför transistorn.
|
2
|
Samlare
|
Nuvarande flyter in genom samlaren, normalt ansluten till
ladda.
|
3
|
Sändas
|
Nuvarande avlopp ut genom emitter, normalt ansluten till
jord.
|
Fysiska och elektriska specifikationer
Innesluten inom ett TO-220-paket, exemplifierar
D880
D880
CJ
FAIRCHILD TO-220
In Stock: 1700 pcs
-transistorn motståndskraft med dess skickliga värmeavledning och mekaniska stabilitet.Som en transistor av NPN-typ stöder den en maximal samlarström på 3A, vilket gör den till en värdefull tillgång i kraftförstärkning och växlingsroller.Det kan uthärda en samlaremitterspänning som når upp till 60V, vilket underlättar olika kretskonfigurationer.
Prestanda och kapacitet
Transistorens förmåga att sprida 30W kraft accentuerar dess adeptness för att minimera effektförlust och därmed öka prestandanivåerna i elektroniska kretsar.Med en övergångsfrekvens på 3 MHz befinner den sig hemma i ljudförstärkarinställningar och RF-behandlingsuppgifter, vilket gör att den kan tjäna i högfrekventa applikationer.Driftstemperaturen sträcker sig från -55 till +150 ° C talar till dess robusthet och anpassningsförmåga, vilket bevisar dess tillförlitlighet i både kommersiella och industriella miljöer.
Strömmar och vinster
DC -strömförstärkningen, som sträcker sig från 60 till 300, belyser D880: s signalförstärkningspotential, vilket markerar dess betydelse i kretsar som kräver betydande förstärkning från minimala ingångar.Denna faktor påverkar särskilt effektiviteten i miljöer där exakt signalförbättring är absolut nödvändig, till exempel i ljudbehandlingsutrustning.I praktisk användning motsvarar de högre förstärkningsvärdena ofta förbättrad prestanda i låga signalförhållanden, vilket bevarar signalintegritet.
Experter föredrar ofta D880 för sin harmoniska blandning av krafthantering och signalförstärkning.För att förlänga livslängden och prestandastenigheten implementeras ofta optimal värmehantering, eventuellt genom att använda lämpliga kylflänsar.Dess tillförlitlighet i mångsidiga miljöer är ett bevis på dess utbredda integration i både experimentella och etablerade elektroniska mönster.När det används eftertänksamt ger det betydande fördelar i effektivitet och effektivitet och passar enkelt in i olika elektriska ramar utan att offra funktionalitet.
Typ
|
Parameter
|
Förpackning / fodral
|
Till-220
|
Förpackning
|
Rörfylld
|
Spänning - Collector Emitter Breakdown (MAX)
|
60V
|
Current - Collector (IC) (max)
|
3A
|
Power - Max
|
30w
|
ROHS -status
|
ROHS -kompatibel
|
D880
D880
CJ
FAIRCHILD TO-220
In Stock: 1700 pcs
-transistorn är en flexibel och effektiv komponent som vanligtvis används i många elektroniska projekt.Det fungerar särskilt bra för uppgifter som involverar effektiv krafthantering, korrekt kontroll och pålitlig drift.Genom att organisera dess applikationer och användningar i detaljerade och strukturerade avsnitt kan du bättre förstå dess funktioner och hur det gäller olika ändamål.
Power Conversion Applications
D880-transistorn är högt värderad i kraftkonverteringssystem, särskilt i DC-DC-omvandlare.Dessa omvandlare omvandlar effektivt likström från en spänningsnivå till en annan, vilket är avgörande i enheter som batteridriven elektronik, där energieffektivitet krävs.Transistors robusta prestanda säkerställer smidig drift i dessa system, vilket gör att enheter kan optimera strömförbrukningen och förlänga batteritiden.
Ljudförstärkningsfunktioner
I ljudsystem hittar du D880 som används i amplifieringskretsar.Den hanterar strömmar med hög utgång och förbättrar både ljudkvalitet och volym, vilket gör det till ett utmärkt val för allt från personliga ljudenheter till professionella ljudinställningar.Dess förmåga att tillhandahålla tydliga, förstärkta signaler med minimal distorsion gör det populärt bland ljudentusiaster och proffs.Utöver ljuduppgifter kan du också använda den i generella amplifieringskretsar där konsekvent och tillförlitlig prestanda behövs för att driva starka elektroniska förstärkare.
Växla applikationer i elektronik
D880 är lika effektiv vid växlingsoperationer, särskilt i applikationer som kräver lågspänning och medelstorhantering.Dess förmåga att hantera måttliga nuvarande nivåer gör det till ett tillförlitligt val för att byta uppgifter, vilket säkerställer den sömlösa driften av olika elektroniska enheter.Oavsett om det är vana att växla kretsar i mikrokontroller eller för att kontrollera motorer, högeffektreläer och belysningssystem, säkerställer D880 exakta och stabila prestanda.Denna mångsidighet förbättrar enhetens tillförlitlighet och livslängd, vilket gör den till en nyckelkomponent i automatiserade system och intelligenta enheter.
D880-transistorn är en multifunktionell komponent som sömlöst anpassar sig till ett brett spektrum av tekniska behov.Dess dubbla förmåga att fungera som en kraftfull förstärkare och en pålitlig switch gör det möjligt att möta olika krav i olika branscher.Oavsett om det ökar ljudprestanda eller ger exakt kontroll över elektroniska system, kombinerar D880 hållbarhet, effektivitet och flexibilitet för att bli en primär del av både enkla och komplexa elektroniska inställningar.
• NTE152
• SC1826
•
BD241
BD241
FSC
BD241 FSC TO-220
In Stock: 2230 pcs
•
2SB834
2SB834
CJ
TO-220 97
In Stock: 19000 pcs
•
2SC1060
2SC1060
HITACHI
771
In Stock: 2346 pcs
•
2SC1061
2SC1061
MOSFEC
MOSFEC TO-220
In Stock: 1457 pcs
• 2SC1173
• 2SC1226
• 2SC1226A
• 2SC1418
• 2SC1419
•
2SC2236
2SC2236
HGF
2SC2236 TOSHIBA TO-92
In Stock: 6715 pcs
•
2SC2500
2SC2500
TOSHIBA
2SC2500 HGF TO-92L
In Stock: 5220 pcs
•
2SC2075
2SC2075
TOSHIBA
2SC2075 三洋 TO220
In Stock: 11518 pcs
•
2SD1134
2SD1134
HIT
2SD1134 HIT TO220
In Stock: 8700 pcs
• 2SD1274A
• 2SC1985
•
2SC1826
2SC1826
FAIRCHILD
2SC1826 SAK TO-220
In Stock: 2200 pcs
• BDT31
• BDT31A
•
KSA1220
KSA1220
FAIRCHILD
786
In Stock: 1000200 pcs
•
2N5551
2N5551
Diotec Semiconductor
BJT TO-92 160V 600MA
In Stock: 136000 pcs
•
S8550
S8550
MDD
TRANS PNP 25V 0.5A SOT23
In Stock: 1000000 pcs
•
BD136
BD136
onsemi
TRANS PNP 45V 1.5A TO126
In Stock: 50000 pcs
• Tip32c
Att använda
D880
D880
CJ
FAIRCHILD TO-220
In Stock: 1700 pcs
-transistorn säkerställer effektivt stabil och pålitlig kretsprestanda samtidigt som man förlänger sin livslängd.För att uppnå detta är det viktigt att driva transistorn under 20% av sina maximala betyg och upprätthålla en säkerhetsmarginal som förhindrar överbelastning.
D880 har en maximal samlarström på 3A, så det rekommenderas att undvika att belastningar överstiger 2,4A för att minska stressen på komponenten.Med en maximal spänning på 60V mellan samlaren och emitter är det bäst att applicera högst 48V på lasten för att säkerställa säker drift.Överskridande av dessa gränser kan leda till överhettning eller skada.

För att skydda transistorn och upprätthålla stabil funktionalitet är det viktigt att montera en lämplig kylfläns.Detta förhindrar överdriven värmeuppbyggnad under drift.Håll dessutom alltid driftstemperaturen inom intervallet -55 ° C till +150 ° C.Att säkerställa korrekt termisk hantering är avgörande för både effektivitet och hållbarhet i dina elektroniska projekt.
Genom att följa dessa försiktighetsåtgärder kan D880 -transistorn utföra effektivt och pålitligt, vilket gör det till ett utmärkt val för att driva och kontrollera olika kretsar i dina applikationer.

Feihong Machinery & Electrical Co., Ltd. spelar en inflytelserik roll i Kinas värmemaskinproduktion.De tillhandahåller utrustning som används allmänt för att skapa olika typer av värmare och betonar deras betydelse i branschen.Företagets framgång är djupt förankrad i deras oöverträffade engagemang för precision och tillförlitlighet, egenskaper som är mycket eftertraktade inom värmemaskiner.Deras kontinuerliga strävan efter excellens återspeglar deras motståndskraft och anpassningsförmåga.
1. Vilka är de potentiella tillämpningarna av D880 -transistorn i modern elektronik?
Primärt används D880-transistorn i lågfrekvent effektförstärkarkretsar.Specifikt är det integrerat i klass B-push-pull-förstärkarkonstruktioner, där kopplingen av NPN med kompletterande PNP-transistorer visar sig vara fördelaktig.I verkliga applikationer minskar sådana konfigurationer effektivt distorsion i ljudförstärkare, vilket ger betydande värde för konsumentelektronik som hemmabiosystem och musikinstrument.Under åren har experter observerat att optimering av samspelet mellan krafthantering och stabilitet kan låsa upp transistorns potential.
2. Är det möjligt att ersätta D882 för D880 i kretskonstruktioner?
När du överväger att ersätta en D882 för en D880, se till att kretsspänningar inte överträffar 30V och strömmar förblir under 3A.Korrekt justering under ersättningen är avgörande, eftersom den nya transistorn måste anpassa sig till den befintliga stiftuppsättningen.Betona värdet av omfattande kretstest efter substitution.Att verifiera att alla parametrar är i harmoni med designspecifikationer garanterar bevarande av kretsens integritet och funktionalitet.
3. Vad är den rätta metoden för att koppla D880 -transistorn i en krets?
D880 har en struktur med två nära belägna PN -korsningar som delar halvledaren i bas, emitter och samlare.En pil markerar emitteren, med basen i mitten och samlaren mittemot emitter, allt överensstämmer med NPN- och PNP -arrangemangen.Att perfektionera ledningstekniken är avgörande för effektiv kretsprestanda;Även subtila nyanser i stiftorientering kan påverka kretsens övergripande operation.Denna förståelse stärks konsekvent i elektroniska workshops och träningsprogram, där betoningen ligger på precision i elektronisk design och montering.
Dela detta inlägg